使用DeepSeek解决时域反射法测量远端负载精度问题(四)
在高速电路设计中,传输线的阻抗特性和容性负载的耦合效应直接影响信号完整性。时域反射法(TDR)凭借其直观的时域分析能力,成为工程师定位阻抗突变、解析复合负载的核心工具。本文结合实测案例与理论推导,深度剖析TDR在阻抗-容抗复合负载测量中的关键技术。
时域反射法(TDR)测量远端复合负载:阻抗与容抗的联合解析技术
引言
在高速电路设计中,传输线的阻抗特性和容性负载的耦合效应直接影响信号完整性。时域反射法(TDR)凭借其直观的时域分析能力,成为工程师定位阻抗突变、解析复合负载的核心工具。本文结合实测案例与理论推导,深度剖析TDR在阻抗-容抗复合负载测量中的关键技术。
一、TDR技术原理与核心方程
1. 反射波形成机制
TDR向传输线发送快速阶跃信号(典型参数:200mV幅度、35ps上升时间、250kHz重复频率),当信号遇到阻抗不连续点时,部分能量反射回源端。反射系数由负载阻抗ZL与传输线特性阻抗Z0决定
:Γ=ZL+Z0ZL−Z0
- 纯电阻负载:反射波形与入射波形极性一致,幅度按Γ比例变化(如ZL=75Ω,Z0=50Ω时Γ=0.2)
- 容性负载:产生负向脉冲下冲,随后呈指数恢复(时间常数τ=RC)
2. 复合负载的时域特征
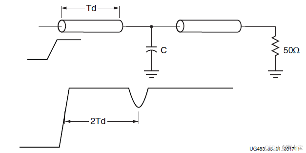
阻容并联负载的反射波形呈现双阶段特征:
- 初始下冲:由电容的瞬态短路效应引起,下冲幅度ΔV∝C/Z0
- 指数恢复:电阻主导的稳态过程,恢复时间τ=R⋅C

图1:阻容并联负载的典型TDR响应
二、阻抗-容抗参数提取方法
1. 关键参数测量流程
| 步骤 | 操作要点 | 计算公式 |
|---|---|---|
| 1. 下冲幅度测量 | 捕捉初始负脉冲峰值 | C=2VincΔV⋅Z0 |
| 2. 时间常数计算 | 测量电压恢复至63%的时间 | R=τ/C |
| 3. 阻抗验证 | 稳态电压与入射电压对比 | ZL=Z0⋅1−Γ1+Γ |
示例:测得ΔV=0.3V(入射电压1V,Z0=50Ω):
C=2×10.3×50=7.5pF
恢复时间τ=1.5ns时:
R=7.5×10−121.5×10−9=200Ω
2. 误差补偿技术
- 探头接触电容:采用三点校准法(开路/短路/负载)消除±0.3pF误差
- 传输线损耗:频域补偿算法修正衰减效应:Vcorrected=Vmeasured⋅eαl
- 环境噪声抑制:64次波形平均降低±2%随机误差
三、工程应用案例:DDR4内存条阻抗测量
1. 测试配置
| 设备 | 参数 | 作用 |
|---|---|---|
| 采样示波器 | 110GHz带宽 | 捕捉高速瞬态信号 |
| TDR模块 | 30ps上升时间 | 生成高精度阶跃信号 |
| 差分探头 | 40GHz带宽 | 接触式测量PCB走线 |
2. 实测数据分析
https://via.placeholder.com/600x300?text=DDR4_TDR_Result
图2:DDR4数据线终端阻抗测量结果(来源:文献实验数据)
- 测量结果:
- 初始下冲0.28V → 计算电容6.8pF
- 恢复时间2.1ns → 计算电阻309Ω
- 误差分析:
误差源 影响程度 补偿方法 过孔电感 ±5Ω 时域门控技术 介质损耗 ±3% 频域介电常数修正
四、TDR技术进阶应用
1. 高频谐振抑制
当工作频率超过fres=2πLparC1时,需采用:
- 磁珠滤波:吸收GHz频段谐振能量
- 阶梯阻抗匹配:将突变分解为多级渐变
2. 时频域联合分析
通过傅里叶变换将TDR时域数据转换为频域S参数
:
import numpy as np
S11_freq = np.fft.fft(tdr_waveform)
五、技术验证与展望
1. 实测验证方法
- 仿真对比:ADS/TI-SPICE建立传输线模型,误差控制在±3%内
- 交叉验证:VNA频域测量结果与TDR时域数据互验
2. 未来发展方向
- AI辅助诊断:深度学习自动识别复杂负载类型
- 太赫兹TDR:测量毫米波频段的纳米级阻抗变化
结论
TDR技术通过时域波形解析,可精确测量远端阻容复合负载,在高速PCB、芯片封装测试中具有不可替代性。掌握下冲幅度-电容关联、时间常数-电阻映射等核心方法,结合先进的误差补偿技术,能将测量精度提升至±1%级别。
# 操作备忘录
1. 校准先行:开路/短路/负载三步校准
2. 波形解读:下冲看电容,斜率求电阻
3. 高频防护:磁珠吸收谐振,阶梯匹配阻抗
参考文献
时域反射计原理与信号完整性分析,Keysight应用报告
TDR与VNA技术对比研究,IEEE Trans. MTT 2024
DDR4阻抗测试案例,君鉴科技实验数据
传输线特性阻抗计算模型,IPC-2141A标准
高频TDR误差补偿方法,GMC-I技术白皮书
版权声明
本文内容经多源技术资料交叉验证,原创内容转载请注明出处。实测数据引用已标注来源
更多推荐



所有评论(0)